Pillow Block Bearing

Pillow Block Bearing

UCP203 bearings
UCP203 pillow block bearings
UCP203 pillow bearings
UCP203 bearings
UCP203 pillow block bearings
UCP203 bearings
UCP203 pillow block bearings
UCP203 pillow bearings
UCP203 bearings
UCP203 pillow block bearings
Share:

high quality UCP203 pillow block bearings

Model No: UCP203 

Size: 17x127x30.2mm

Material: chrome steel with iron

Weight: 0.7KG

Lead time: 3-5 days

Package: box+carton

MOQ: 50pcs

Specification

Brand name: Famous brand/RMO/Neutral/OEM

Shipping Port: GuangZhou, NingBo, ShangHai

Payment terms: 100% T/T or 30% T/T before production, 70% before delivery.

high quality UCP203 pillow block bearings

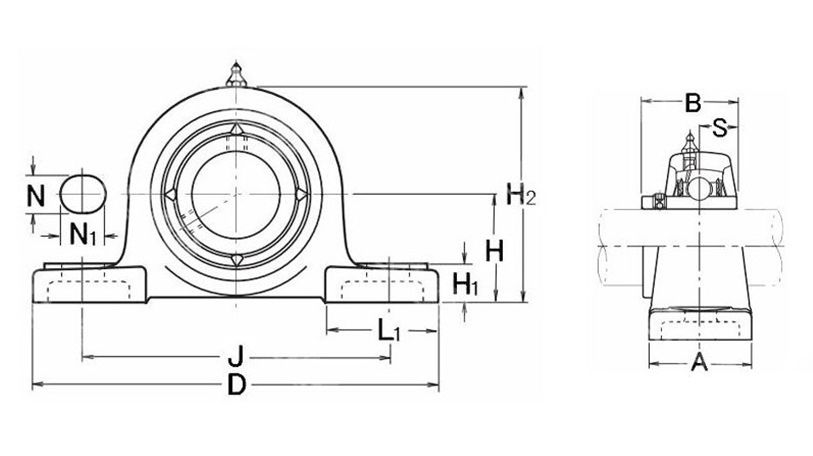
UCP pillow block bearings are composed of spherical plain bearings and cast (or stamped) bearing housings. The outer ring is designed as a truncated spherical shape, and the automatic self-aligning function is achieved through the concave spherical surface of the bearing housing. This product is fixed by set screws, eccentric sleeves or lock nuts. The structural feature of the inner ring being wider than the outer ring enables it to combine the operational performance of deep groove ball bearings with the convenient installation advantages of mounted bearings.


Structural composition:

It is composed of two sealed outer spherical surface ball bearings and a cast/pressed bearing housing as the core components, among which: 

1. The inner ring width is larger than the outer ring, and the internal structure is consistent with that of deep groove ball bearings.

2. The outer ring cross-section is spherical, forming a self-aligning structure with the concave surface of the bearing housing.

3. The shaft hole fit adopts a clearance design, and the shaft is fixed through set screws, eccentric sleeves or lock nuts.

 

Product Features:

1. Self-aligning: The spherical surface of the outer ring fits with the concave surface of the bearing housing, compensating for shaft misalignment of 0.5° to 2°.

2. Easy Installation: The integral structure simplifies the assembly process, and the bearing components can be replaced individually during maintenance.

3. Sealing Protection: The double-contact seal design effectively prevents dust from entering.

Related Products

high quality UCP203 pillow block bearings

Model NO.dDHm
UCP20112   mm127   mm30.2   mm0.7   KG
UCP20215   mm127   mm30.2   mm0.7   KG
UCP20317   mm127   mm30.2   mm0.7   KG
UCP20420   mm127   mm33.3   mm0.7   KG
UCP20525   mm140   mm36.5   mm0.8   KG
UCP20630   mm165   mm42.9   mm1.3   KG
UCP20735   mm167   mm47.6   mm1.6   KG
UCP20840   mm184   mm49.2   mm1.9   KG
UCP20945   mm190   mm54   mm2.2   KG
UCP21050   mm206   mm57.2   mm2.6   KG
UCP21155   mm219   mm63.5   mm3.3   KG
UCP21260   mm241   mm69.8   mm4.6   KG
UCP21365   mm265   mm76.2   mm5.9   KG
UCP21470   mm266   mm79.4   mm6.6   KG
UCP21575   mm275   mm82.6   mm7.4   KG
UCP21680   mm292   mm88.9   mm9   KG
UCP21785   mm310   mm95.2   mm11   KG
UCP21890   mm327   mm101.6   mm13   KG


Application fields

Mainly serves industrial scenarios that require simple support, including:

1. Mining machinery: idler support for belt conveyors.

2. Agricultural equipment: transmission system of combine harvesters.

3. Textile machinery: support structure for yarn guides.

4. Material conveying: rotating components of roller conveyors.


⚙️Obtain Certificate:high quality UCP203 pillow block bearings